Магазин запчастей для бытовой техники - Arlos
Москва
close
Выберите ваш регион
АбаканАлександровАльметьевскАнгарскАрзамасАрмавирАртемАрхангельскАстраханьАчинскБалаковоБалашихаБеларусьБелгородБердскБерезникиБийскБлаговещенскБратскБрянскВеликий НовгородВидноеВладивостокВладикавказВладимирВолгоградВолгодонскВолжскийВологдаВолховВоркутаВоронежВоскресенскВыборгГатчинаГеленджикГрозныйДедовскДербентДзержинскДзержинскийДимитровградДмитровДолгопрудныйДомодедовоДонецкЕвпаторияЕгорьевскЕкатеринбургЕлецЕссентукиЖелезногорскЖелезнодорожныйЖуковскийЗеленоградЗлатоустИвановоИвантеевкаИжевскИркутскИстраЙошкар-ОлаКазаньКалининградКалугаКаменск-УральскийКамышинКаспийскКемеровоКерчьКировКисловодскКлинКовровКоломнаКомсомольск-на-АмуреКопейскКоролёвКостромаКотельникиКрасногорскКраснодарКраснознаменскКрасноярскКурганКурскКызылЛенинск-КузнецкийЛипецкЛобняЛыткариноЛюберцыМагнитогорскМайкопМалаховкаМахачкалаМиассМоскваМурманскМуромМытищиНабережные ЧелныНазраньНальчикНаро-ФоминскНахабиноНаходкаНевинномысскНефтекамскНефтеюганскНижневартовскНижнекамскНижний НовгородНижний ТагилНовокузнецкНовокуйбышевскНовомосковскНовороссийскНовосибирскНовоуральскНовочебоксарскНовочеркасскНовошахтинскНовый УренгойНогинскНорильскНоябрьскОбнинскОдинцовоОктябрьскийОмскОрелОренбургОрехово-ЗуевоОрскПавловский ПосадПензаПервоуральскПермьПетрозаводскПетропавловск-КамчатскийПодольскПрокопьевскПсковПушкиноПятигорскРаменскоеРеутовРостов-на-ДонуРубцовскРыбинскРязаньСакиСалаватСамараСанкт-ПетербургСаранскСаратовСевастопольСеверодвинскСеверскСергиев ПосадСерпуховСимферопольСмоленскСосновый БорСочиСтавропольСтарый ОсколСтерлитамакСтупиноСургутСызраньСыктывкарТаганрогТамбовТверьТихвинТольяттиТомилиноТомскТроицкТулаТюменьУлан-УдэУльяновскУссурийскУсть-ИлимскУфаУхтаФеодосияФрязиноХабаровскХанты-МансийскХасавюртХимкиЧебоксарыЧелябинскЧереповецЧеркесскЧеховЧитаШахтыЩелковоЭлектростальЭлистаЭнгельсЮжно-СахалинскЯкутскЯлтаЯрославль
  • - бесплатно по РФ
    Автоперезвон. Работает по принципу: Вы позвонили на номер, мы сбрасываем звонок и перезваниваем через 3 секунды.
  • - по Москве
  • 8 (925) 663-83-63

Call-центр

пн-вс: 10:00-19:00

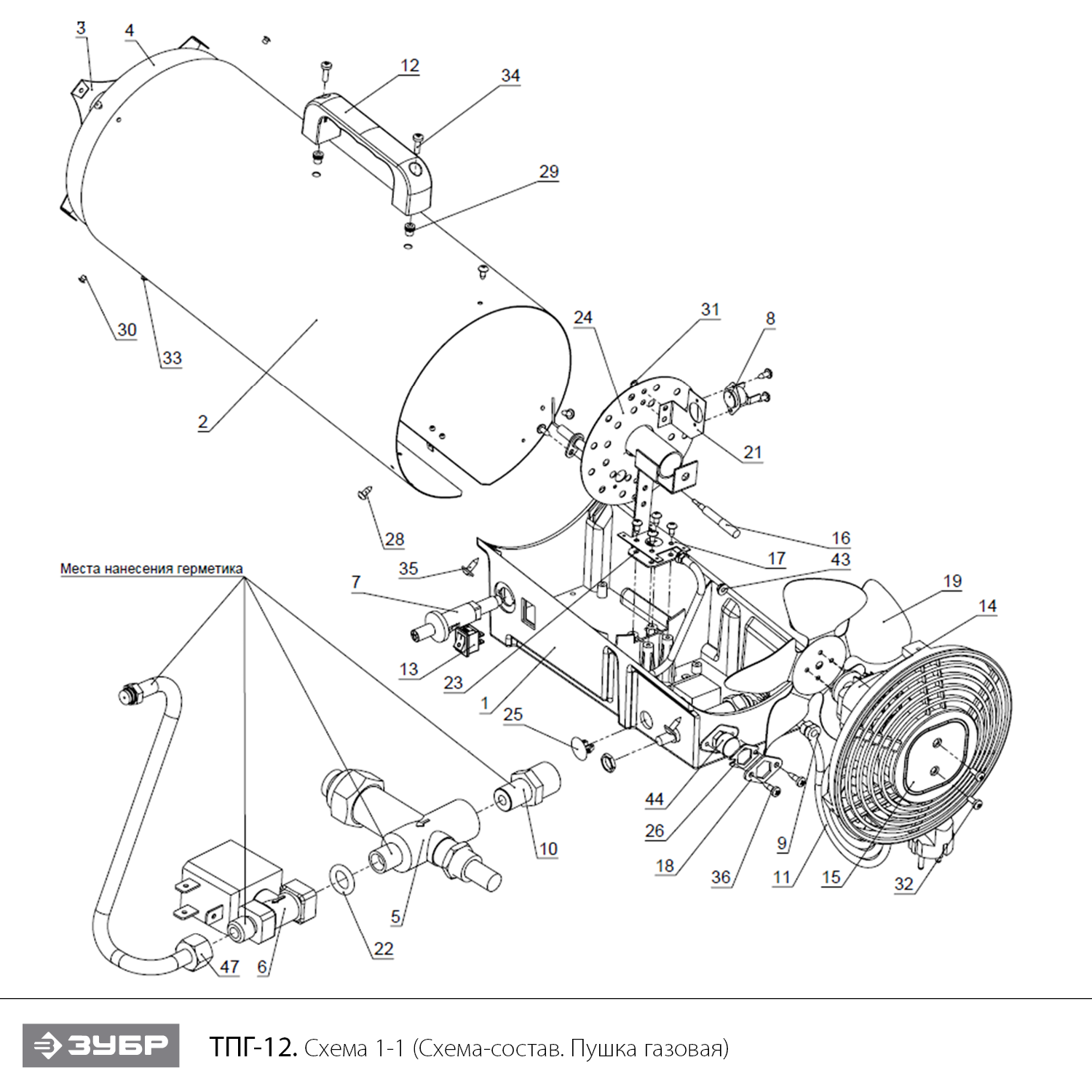
Пушка газовая, ТПГ ТПГ-12

Данная модель имеет несколько схем

NАртикулНазваниеСрок отгрузкиЦенаКупить
1 N000-019-240-2 Коробка (Основание V.2 пластик) 440 р.
2 N000-019-206 Корпус
3 N000-019-208 Решетка задняя 322 р.
4 N000-019-213 Обечайка 286 р.
5 N000-019-218-2 Клапан безопасности газовый ST-406A (2014) 2.975 р.
6 N000-019-219 Клапан электромагнитный ST-20B-25 2.701 р.
7 N000-019-224 Пьезоподжиг с электродом и заземляющим проводом в сборе GH-O-PE-002-1&GH-O-ER-001-1&GH-O-WG-001-1 738 р.
8 N000-041-000 Термостат биметаллический KSD301-9.0/16D16S15-S 83 р.
8 N000-019-228 Термостат KSD-301-90C нормально замкнутый 114 р.
9 N000-019-230 Фиксатор кабеля
10 N000-038-106 Фитинг ST-FT-01-4 326 р.
11 N000-019-257 Шнур сетевой ПВС-ВП 3х0.75мм2 1.4м
12 N000-019-234 Рукоятка 250 р.
13 V000-003-286 Выключатель клавишный C6053PLNAB 143 р.
13 N000-041-004 Выключатель клавишный KCD1-101/26 6А 250В 121 р.
14 V000-001-012-2 Электродвигатель 220В YJ58-20-172B 1.631 р.
15 N000-019-208-2 Решетка задняя D184 402 р.
16 N000-019-225 Термопара ST-RRDT-F/01 (крепеж под шайбу) 756 р.
16 N000-040-999 Термопара ST-RRDT-F/04 (крепеж под гайку) 567 р.
17 N000-019-210 Колодка заземления
19 N000-019-231-2 Крыльчатка АО 172-28 383 р.
21 N000-019-215 Уголок
23 N000-019-207 Горелка GH-10.512.003-01 958 р.
41 N000-038-107 Редуктор А320 в сборе со шлангом IGT1-BS EN16436-1:2014+A1:2015-Class 2-6.3mm-10bar 1/4”LH - 1/4” L=1.5м 2.056 р.
Найдено товаров: 24
1
▲ Наверх
0
8 (925) 663-83-63

Call-центр

пн-вс: 10:00-19:00

НАЙТИ ПО МОДЕЛИ
Введите номер заказа
Введите номер своего заказа, что бы узнать его текущий статус.
Что бы получить доступ к расширенным функциям, пройдите не сложную регистрацию. Зарегистрироваться