Магазин запчастей для бытовой техники - Arlos
Москва
close
Выберите ваш регион
АбаканАлександровАльметьевскАнгарскАрзамасАрмавирАртемАрхангельскАстраханьАчинскБалаковоБалашихаБеларусьБелгородБердскБерезникиБийскБлаговещенскБратскБрянскВеликий НовгородВидноеВладивостокВладикавказВладимирВолгоградВолгодонскВолжскийВологдаВолховВоркутаВоронежВоскресенскВыборгГатчинаГеленджикГрозныйДедовскДербентДзержинскДзержинскийДимитровградДмитровДолгопрудныйДомодедовоДонецкЕвпаторияЕгорьевскЕкатеринбургЕлецЕссентукиЖелезногорскЖелезнодорожныйЖуковскийЗеленоградЗлатоустИвановоИвантеевкаИжевскИркутскИстраЙошкар-ОлаКазаньКалининградКалугаКаменск-УральскийКамышинКаспийскКемеровоКерчьКировКисловодскКлинКовровКоломнаКомсомольск-на-АмуреКопейскКоролёвКостромаКотельникиКрасногорскКраснодарКраснознаменскКрасноярскКурганКурскКызылЛенинск-КузнецкийЛипецкЛобняЛыткариноЛюберцыМагнитогорскМайкопМалаховкаМахачкалаМиассМоскваМурманскМуромМытищиНабережные ЧелныНазраньНальчикНаро-ФоминскНахабиноНаходкаНевинномысскНефтекамскНефтеюганскНижневартовскНижнекамскНижний НовгородНижний ТагилНовокузнецкНовокуйбышевскНовомосковскНовороссийскНовосибирскНовоуральскНовочебоксарскНовочеркасскНовошахтинскНовый УренгойНогинскНорильскНоябрьскОбнинскОдинцовоОктябрьскийОмскОрелОренбургОрехово-ЗуевоОрскПавловский ПосадПензаПервоуральскПермьПетрозаводскПетропавловск-КамчатскийПодольскПрокопьевскПсковПушкиноПятигорскРаменскоеРеутовРостов-на-ДонуРубцовскРыбинскРязаньСакиСалаватСамараСанкт-ПетербургСаранскСаратовСевастопольСеверодвинскСеверскСергиев ПосадСерпуховСимферопольСмоленскСосновый БорСочиСтавропольСтарый ОсколСтерлитамакСтупиноСургутСызраньСыктывкарТаганрогТамбовТверьТихвинТольяттиТомилиноТомскТроицкТулаТюменьУлан-УдэУльяновскУссурийскУсть-ИлимскУфаУхтаФеодосияФрязиноХабаровскХанты-МансийскХасавюртХимкиЧебоксарыЧелябинскЧереповецЧеркесскЧеховЧитаШахтыЩелковоЭлектростальЭлистаЭнгельсЮжно-СахалинскЯкутскЯлтаЯрославль
  • - бесплатно по РФ
    Автоперезвон. Работает по принципу: Вы позвонили на номер, мы сбрасываем звонок и перезваниваем через 3 секунды.
  • - по Москве
  • 8 (925) 663-83-63

Call-центр

пн-вс: 10:00-19:00

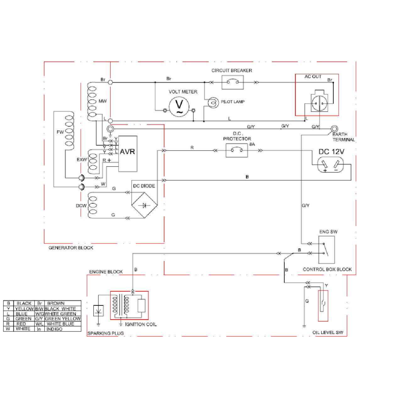
Генератор бензиновый ЗЭСБ-800

Данная модель имеет несколько схем

NАртикулНазваниеСрок отгрузкиЦенаКупить
б/н N000-009-603 Кольца поршневые в сборе
б/н N000-009-601 Набор поршневых колец первый 603 р.
1.16 V000-004-246 Блок управления 325 р.
1.21 V000-004-247 Магнето H=70 h=56 d=31.5 1.350 р.
1.3 N000-009-528 Стартер в сборе 868 р.
1.30 N000-009-554 Элемент фильтрующий 125 р.
1.36 N000-009-560 Карбюратор в сборе 1.651 р.
1.36 N000-009-560-2 Карбюратор в сборе 1.568 р.
1.37 N000-009-561 Уплотнение карбюратора 35 р.
1.38 N000-009-562 Изолятор карбюратора 173 р.
1.39 N000-009-563 Уплотнение изолятора 35 р.
1.48 N000-009-572 Датчик уровня масла поплавковый 383 р.
1.51 N000-009-575 Вал распределительный в сборе 1.226 р.
1.52 N000-009-576 Толкатель 98 р.
1.53 N000-009-577 Клапан выпускной 163 р.
1.54 N000-009-578 Клапан впускной 163 р.
1.55 N000-009-579 Пружина клапана D16xh27 35 р.
1.64 N000-009-588 Сальник D30хd17х6 106 р.
1.65 N000-009-589 Уплотнение боковой крышки 94 р.
1.77 N000-009-602 Набор поршневых колец второй
1.78 N000-009-604 Поршень 391 р.
1.79 N000-009-605 Палец поршневой D10х38 94 р.
1.81 N000-009-607 Шатун 815 р.
1.82 N000-009-608 Вал коленчатый в сборе 2.610 р.
1.86 N000-009-612 Прокладка головки цилиндров 241 р.
1.87 N000-009-613 Головка цилиндров 609 р.
1.95 N000-009-620 Свеча зажигания E6TC 388 р.
2.1 N000-009-474 Кольца поршневые (набор)
2.17 N000-009-488 Статор 6.784 р.
2.18 N000-009-489 Ротор 5.162 р.
2.2 N000-009-475 Глушитель в сборе
2.30 V000-000-716 Вольтметр 91L4 0-300В 45х45мм 460 р.
2.31 V000-003-193 Выключатель автоматический 250В 8А 294 р.
2.32 V000-003-194 Выключатель автоматический 250В 5А 294 р.
2.4 V000-004-244 АВР 885 р.
2.46 N000-009-513 Бензобак
2.47 N000-009-514 Фильтр бензиновый 133 р.
2.48 N000-009-515 Крышка топливного бака 272 р.
2.5 N000-009-477 Стартер в сборе
2.51 N000-009-518 Глушитель в сборе 1.122 р.
2.52 N000-009-519 Фильтр масляный 56 р.
2.55 N000-009-522 Щеточный узел в сборе 183 р.
2.6 N000-009-478 Шайба гровера
2.7 V000-000-714 Сборка диодная 154 р.
Найдено товаров: 44
1
▲ Наверх
0
8 (925) 663-83-63

Call-центр

пн-вс: 10:00-19:00

НАЙТИ ПО МОДЕЛИ
Введите номер заказа
Введите номер своего заказа, что бы узнать его текущий статус.
Что бы получить доступ к расширенным функциям, пройдите не сложную регистрацию. Зарегистрироваться